6
2025.8
作者
23
阅读量
1、3D図紙


2、2D図紙



|
序号 |
需求类别 |
具体参数要求 |
|
1 |
加工特征适配 |
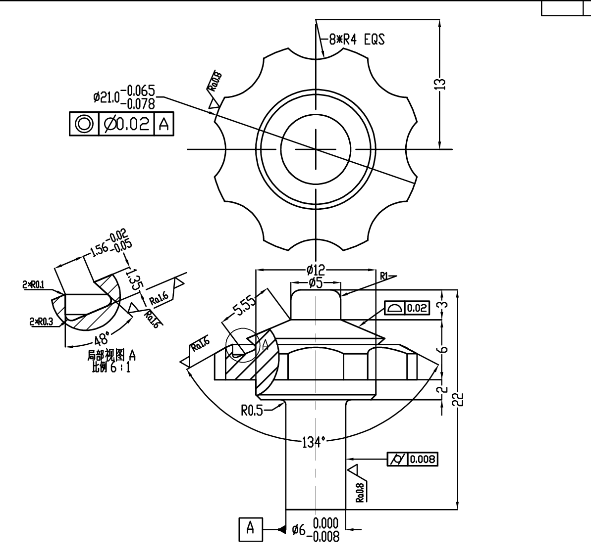
适配梯形槽两侧边切削,刃口轮廓与134°斜面完全贴合 |
|
2 |
精度指标 |
尺寸公差≤±0.01ミリメートル,刃口直线度≤0.005ミリメートル |
|
3 |
寿命要求 |
单刀片加工工件数量500≥件(针对 45钢) |
|
4 |
装夹兼容性 |
适配客户现有刀架接口,换刀时间≤2分 |
|
5 |
成本控制 |
刀片单价≤整体式刀具的 50% |
1. 刃口轮廓
(1). 采用カナダドル三维建模逆向还原槽边角度,通过线切割加工保证刃长匹配槽深(如6ミリメートル),刃口倒圆R0.2mm(防崩刃设计)。
(2). 刃口研磨精度:Ra0.4μm,直线度0.003mm/100mm(确保加工表面平面度)。
2. 材料与涂层
(1)刀片基体:WC-Co (英語)硬质合金(共含量 8%,适合中等强度材料切削)
(2) 涂层:TiAlN多层涂层(厚度4μm,硬度HV3200,摩擦系数 0.28)
(3)适用切削范围:线速度80-120m/分(针对 45# 钢)
3. 装夹结构
(1)定位方式:双圆柱销定位(φ6H7,定位公差±0.002ミリメートル)
(2)锁紧机构:楔块式快速锁紧(夹紧力≥500N,防松动)
(3)重复定位精度:≤0.005ミリメートル(保障换刀后尺寸一致性)
(1) 接口标准:采用VDI40刀体接口,配合客户现有刀架(含定向键槽定位)
(3)材料:40Cr调质处理(硬度28-32HRC),表面发黑防锈
|
价值维度 |
具体数据对比 |
|
精度保障 |
试切 30 件工件,尺寸合格率 100%,表面粗糙度实测Ra1.2-1.6μm |
|
成本优化 |
单刀片成本 65 元(整体式刀具 150 元),刀体可重复使用≥50次 |
|
效率提升 |
换刀时间从传统刀具的15分缩短至90年代,有效加工时间提升 12% |
|
寿命表现 |
对比标准刀片,加工 45# 钢时寿命提升 40%(从 350 件 / 片增至 490 件 / 片) |
本方案针对梯形槽双侧斜面加工,通过定制化刃口轮廓 + 模块化装夹设计,实现三个核心目标:
1.刃口角度与工件特征完全匹配,解决非标斜面加工尺寸超差问题;
2.可更换刀片设计降低 50% 以上刀具采购成本,适合小批量多品种生产;
3.标准化刀体接口无需改造客户设备,换刀效率提升 80%。